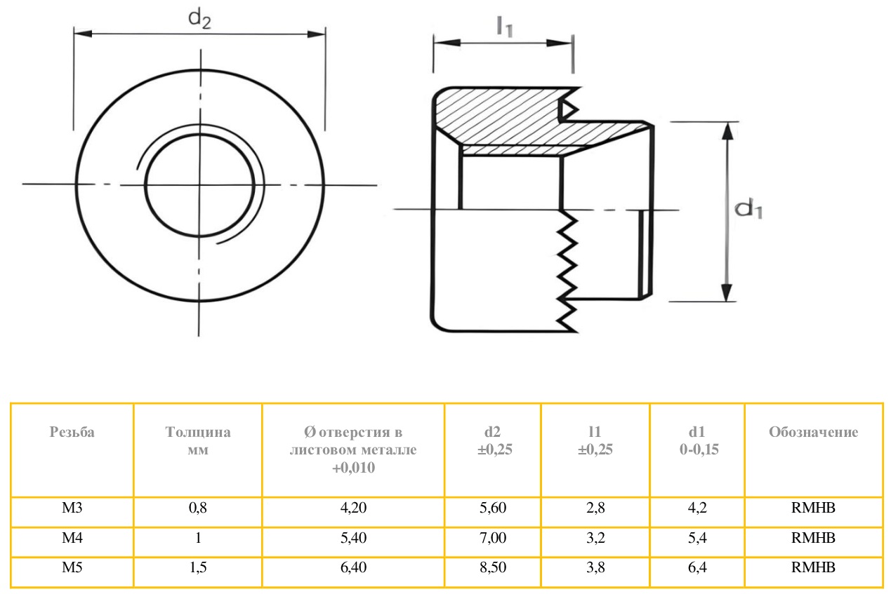
Запрессовочные, развальцовочные гайки RMHB создают прочное соединение в тонколистовом металле. Для этого необходимо заранее выполнить отверстия в листах материала. Гайки развальцовочные применяются в тех случаях, когда невозможна нарезка резьбы. Тип RMHB позволяет сделать крепление на ограниченном пространстве благодаря более маленькому размеру по сравнению с RHB. Зубцы создают дополнительное сопротивление проворачиванию, вибрации и сдвигам скрепляемых деталей. Поэтому гайка RMHB специально используется для сложных креплений.
4 384.06 ₽ / 1000 шт.
Количество
Цена по запросу
Количество
4 566.66 ₽ / 1000 шт.
Количество
4 749.26 ₽ / 1000 шт.
Количество